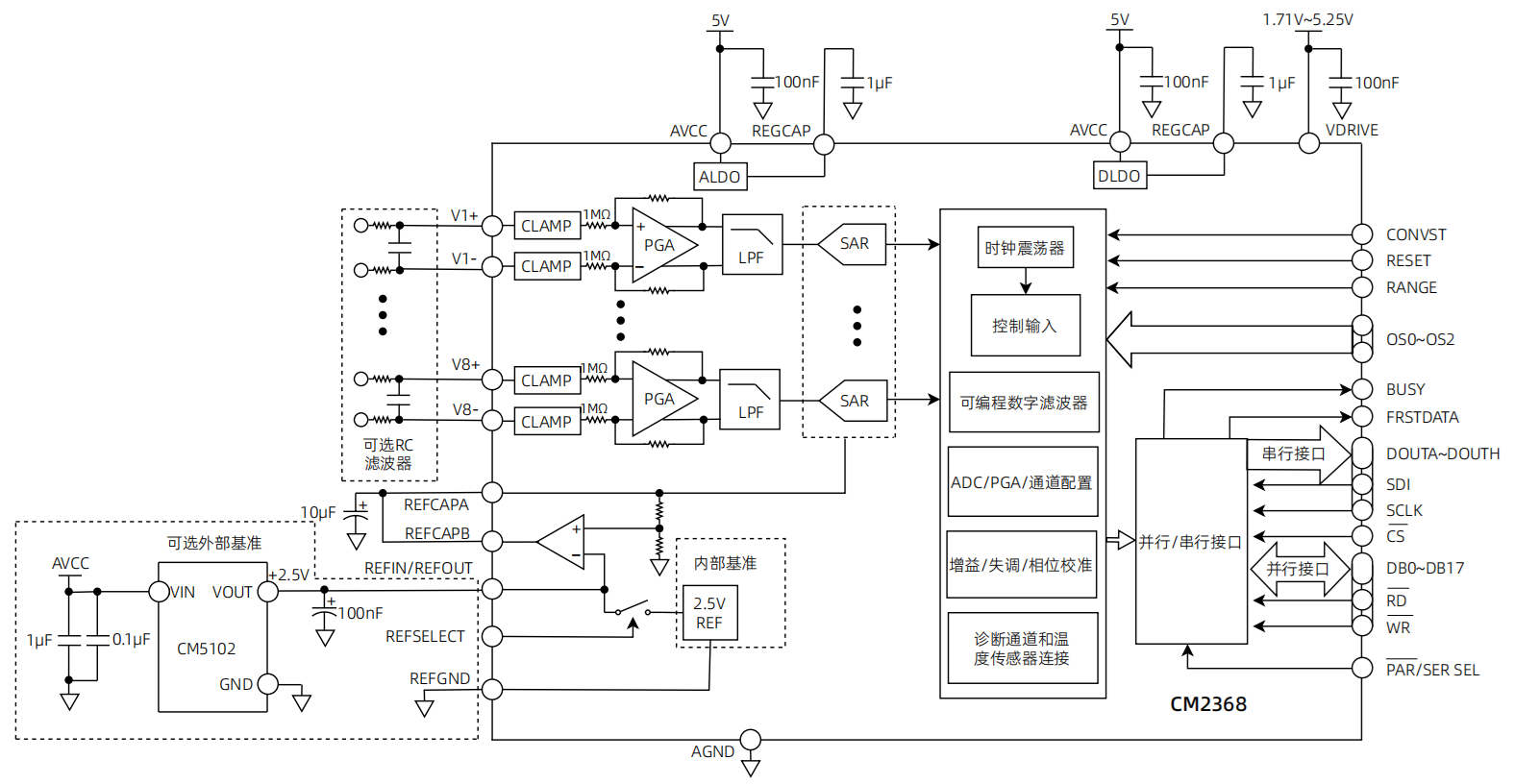
Überblick
Der CM2368 ist ein 18-Bit-, 8-Kanal-Datenakquisitionssystem (DAS) mit simultaner Abtastung. Jeder Kanal integriert einen analogen Eingangsschutz mit Clamping-Funktion, einen programmierbaren Verstärker (PGA), ein Tiefpassfilter (LPF) und einen 18-Bit-SAR-ADC. Das Gerät enthält außerdem einen flexiblen digitalen Filter, eine niederdriftige 2,5-V-Referenzspannungsquelle, einen Referenzpuffer sowie Hochgeschwindigkeits-Seriell- und Parallel-Schnittstellen.
Betrieben mit einer einzigen 5-V-Speisung unterstützt der CM2368 echte bipolare Eingangsbereiche von ±12,5 V, ±10 V, ±5 V und ±2,5 V im single-ended-Modus sowie ±25 V, ±20 V, ±12,5 V, ±10 V und ±5 V im differentiellen Modus. Alle Kanäle können mit Durchsatzraten bis zu 1 MSPS abgetastet werden. Der Eingangs-Clamp-Schutz hält Spannungen bis zu ±19,5 V stand. Eine hohe Eingangsimpedanz von 1 MΩ zusammen mit einem auf dem Chip integrierten Filter vereinfacht das externe Schaltungsdesign erheblich.
Merkmale
- Bipolare analoge Eingangsbereiche:
- Single-ended: ±12,5 V, ±10 V, ±5 V, ±2,5 V
- Differentiell: ±25 V, ±20 V, ±12,5 V, ±10 V, ±5 V
- 5 V Analogversorgung, 1,71 V bis 5,25 V digitale I/O-Versorgung
- 8-Kanal-Simultansampling
- Leistung:
- Bis zu 7000 V ESD-Schutz an den Analogeingängen
- 94,5 dB SNR (ohne Oversampling), –107 dB THD
- ±2 LSB INL, ±0,6 LSB DNL
- Flexibles paralleles/serielles Interface
- SPI / QSPI / MICROWIRE / DSP-kompatibel
- Vollständig integrierte Datenerfassungslösung
- Schutz durch Analogeingangs-Clamp
- Eingangspuffer mit 1 MΩ Eingangsimpedanz
- Anti-Aliasing-Filter erster Ordnung
- Präzisionsreferenz und Puffer auf dem Chip
- 18-Bit-, 1-MSPS-ADC (alle Kanäle)
- Flexibler digitaler Filter mit OSR bis zu 256×
- Zwei Bandbreitenoptionen: 23 kHz und 202 kHz
- Geringer Stromverbrauch: 175 mW (Betrieb), 25 mW (Standby)
- LQFP-64 (10 mm × 10 mm) Gehäuse




P produktliste
SAR ADC
P/N |
TYP |
Kanäle |
Auflösung |
SE/DIFF |
SNR |
Abtastrate (max.) |
Signaleingangsbereich |
INL |
Vergleich mit |
Schnittstelle |
T(℃) |
CM2248 |
Adc |
8 |
16 |
Se |
92dB |
200kSPS |
± 10 V |
1LSB |
AD7606 |
SPI/Parallel |
-40~125 |
CM2249 |
Adc |
16 |
16 |
Se |
90dB |
1m SPS |
± 10 V |
1LSB |
AD7616 |
SPI/Parallel |
-40~125 |
CM2368 |
Adc |
8 |
18 |
SE/DIFF |
93,6 dB |
1m SPS |
±25 V |
3,5 LSB |
AD7606C-18 |
SPI/Parallel |
-40~125 |
CM2268 |
Adc |
8 |
16 |
SE/DIFF |
92,6 dB |
1m SPS |
±25 V |
1LSB |
AD7606C-16 |
SPI/Parallel |
-40~125 |
CM2219 |
Adc |
8 |
16 |
SE/DIFF |
91,4 dB |
500k SPS |
0-5 V |
1,5 LSB |
AD7699 |
Spie |
-40~125 |
CM2209 |
Adc |
8 |
16 |
SE/DIFF |
92,7 dB |
250k SPS |
0-5 V |
1,5 LSB |
AD7689 |
Spie |
-40~125 |
CM2322 |
Adc |
1 |
18 |
Diff |
97,3 dB |
1m SPS |
±VREF |
0,6 LSB |
AD7982 |
Spie |
-40~125 |
CM2220 |
Adc |
1 |
16 |
Se |
91,4 dB |
1m SPS |
0~VREF |
0,6 LSB |
AD7980 |
Spie |
-40~125 |
CM2431 |
Adc |
1 |
20 |
Diff |
101dB |
1.8M SPS |
±VREF |
3LSB |
AD4020 |
Spie |
-40~125 |
Cm2 274 |
Adc |
4 |
16 |
Diff |
91dB |
5M SPS |
±VREF |
1LSB |
AD7380-4 |
SPI/QSPI |
40~125 |