ホームページ / 製品 / 精密電圧リファレンス
CM5405,CM5407,CM5400
LT1021-5、LT1021-7、LT1021-10とのベンチマーク比較。5V、7V、および10V精密電圧リファレンス
LT1021-5、LT1021-7、LT1021-10の最適な代替品。
概要
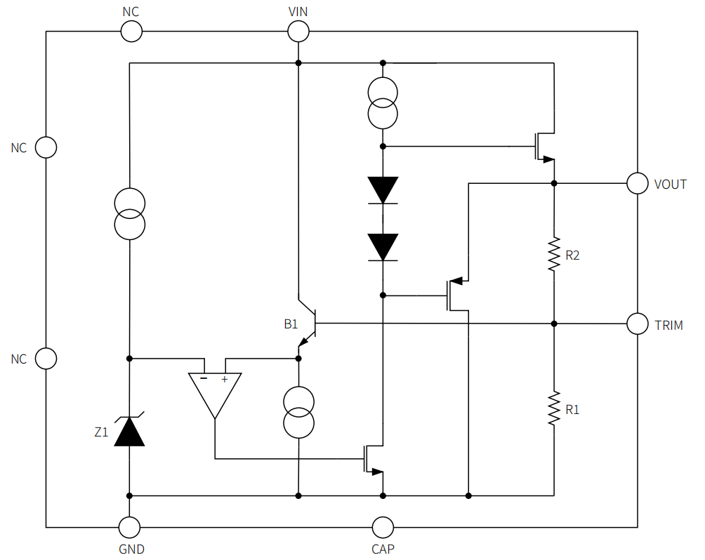
CM5405、CM5407、およびCM5400は、高精度な電圧リファレンスICです。7.2Vから40Vまでの広い電源電圧範囲で動作し、それぞれ5V、7V、10Vの非常に安定した出力を実現します。入力電圧の変動による出力のばらつきが極めて小さく、最大10mAの双方向負荷電流に対応しています。
独自の回路技術と精密抵抗トリミングを採用することで、CM5405/CM5407/CM5400はわずか3ppm/°C(最大)という非常に低い温度ドリフト係数を実現しています。
SOP8パッケージに収められたこれらのデバイスは、-55°Cから+125°Cの動作温度範囲で最適な性能を発揮するように設計されています。
特徴
応用



| P/N | タイプ | パッケージ | MPQ(個) | 比較対象 |
| CM5102-SOPTA | 関連資料 | ロール | 4000 | AD780 ADR431 REF4025 REFS025 |
| CM5415-SOPTA | 関連資料 | ロール | 4000 | LT1021 ADR435 REF4050 |
| CM5405-SOPTA | 関連資料 | ロール | 4000 | N/A |
| CM5407-SOPTA | 関連資料 | ロール | 4000 | N/A |
| CM5400-SOPTA | 関連資料 | ロール | 4000 | N/A |
会社概要
我々はIGBTの 応用 に注力しています 製品 iGBTの応用に基づき、当社は製品ラインナップを高級パワーアセンブリのカスタマイズへと拡大しました。同時に、当社の事業はADC/DAC、LDO、計装用増幅器、電磁リレー、フォトMOS、MOSFETなどの自動制御製品分野にも広がっています。これにより、専門分野において中国のトップメーカーと協力し、顧客に信頼性が高く費用対効果の高い製品を提供することが可能になっています。
革新と卓越性を理念として設立され、半導体代替ソリューションおよび技術の最先端に立っています。
私たちのビジョンは、中国製を通じて顧客に代替ソリューションを提供し、彼らのアプリケーションソリューションのコストパフォーマンスを向上させ、サプライチェーンの安全性を確保することです。











当社ユーザー

弊社の専門営業チームがお客様のご相談をお待ちしております。
商品リストをご覧になり 気になる質問をしてください