Geavanceerde oplossingen voor de productie van stroomwafercomponenten – hoogwaardige halfgeleidersubstraten

Alle categorieën
Vraag een offerte aan

Ontvang een gratis offerte

Onze vertegenwoordiger neemt binnenkort contact met u op.
E-mail
Naam
Bedrijfsnaam
Bericht
0/1000

productie van vermogenswafels

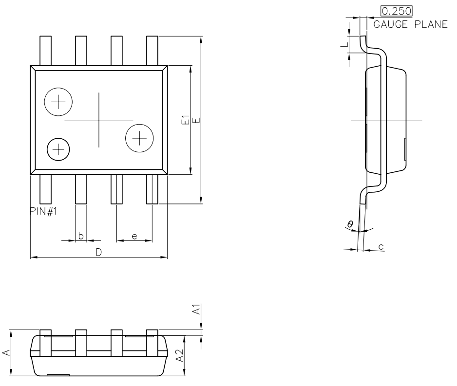
De fabricage van vermogenswafer vertegenwoordigt een geavanceerd halfgeleiderproductieproces waarmee gespecialiseerde siliciumwafer worden gemaakt die zijn ontworpen voor elektronische toepassingen met hoog vermogen. Deze geavanceerde technologie zet ruwe siliciummaterialen om in nauwkeurig vervaardigde substraatplaten die dienen als basis voor vermogenshalfgeleiderapparaten. Het proces voor de fabricage van vermogenswafer omvat meerdere complexe fasen, waaronder kristalgroei, wafersnijden, oppervlaktevoorbereiding en kwaliteitscontroleprocedures om optimale prestatiekenmerken te garanderen. Deze vervaardigde wafer vertonen superieure elektrische eigenschappen, verbeterde thermische geleidbaarheid en uitzonderlijke structurele integriteit ten opzichte van standaardhalfgeleiderwafer. De belangrijkste functies van de fabricage van vermogenswafer omvatten de productie van substraatplaten voor vermogens-MOSFET’s, IGBT’s, diodes en andere halfgeleidercomponenten met hoog voltage die worden gebruikt in elektrische voertuigen, systemen voor hernieuwbare energie en industriële automatiseringsapparatuur. Technologische kenmerken omvatten nauwkeurige controle van de doteringsconcentratie, geavanceerde kristaloriëntatietechnieken en gespecialiseerde oppervlaktebehandelingen die de ladingsdragermobiliteit optimaliseren en elektrische verliezen verminderen. Het fabricatieproces maakt gebruik van ultramoderne cleanroomomgevingen, geautomatiseerde hanteringssystemen en strenge testprotocollen om consistente kwaliteitsnormen te handhaven. Toepassingen strekken zich uit over automotive-elektronica, vermogensomzettersystemen, motoraandrijvingen en netgekoppelde omvormers, waarbij betrouwbare prestaties onder extreme bedrijfsomstandigheden essentieel zijn. Moderne technieken voor de fabricage van vermogenswafer integreren innovatieve materialenwetenschappelijke benaderingen, waaronder alternatieven zoals siliciumcarbide en galliumnitride voor vermogensapparaten van de volgende generatie. Het productieproces vereist gespecialiseerde apparatuur die in staat is grotere waferdiameters en dikker substraat te verwerken, terwijl nauwe afmetingstoleranties en specificaties voor oppervlakkwaliteit worden gehandhaafd om te voldoen aan de strenge eisen van de industrie voor toepassingen in vermogenshalfgeleiders.

Nieuwe productlanceringen

De productie van stroomchips levert uitzonderlijke prestatievoordelen op die zich direct vertalen in superieure betrouwbaarheid van het product en operationele efficiëntie, zowel voor fabrikanten als voor eindgebruikers. De geavanceerde productieprocessen resulteren in chips met verbeterde elektrische eigenschappen, waardoor vermoelementen hogere stroomdichtheden en spanningsniveaus kunnen verwerken, terwijl optimale thermische beheerseigenschappen worden behouden. Deze verbeterde prestatiecapaciteit stelt ingenieurs in staat om compacter en efficiënter vermogenssystemen te ontwerpen die minder energie verbruiken en tijdens bedrijf minder warmte produceren. De precisietechnieken die bij de productie van stroomchips worden toegepast, zorgen voor consistente materiaaleigenschappen over de gehele oppervlakte van de chips, waardoor prestatievariaties worden uitgesloten die de betrouwbaarheid van componenten in kritieke toepassingen zouden kunnen aantasten. Fabrikanten profiteren van hogere productieopbrengsten dankzij de uitstekende kwaliteitscontrolemaatregelen die gedurende het gehele fabricageproces worden toegepast, wat afval vermindert en de totale productiekosten verlaagt. De verbeterde substraatkwaliteit stelt vermoelementen in staat langere operationele levensduur te bereiken, waardoor onderhoudsbehoeften en vervangingskosten voor eindgebruikers in automotive-, industriële en hernieuwbare-energietoepassingen worden verminderd. De processen voor de productie van stroomchips omvatten geavanceerde methoden voor doteringscontrole, waardoor uniforme elektrische eigenschappen worden verkregen en voorspelbaar gedrag van componenten mogelijk wordt, wat de circuitontwerpprocedures voor engineeringteams vereenvoudigt. De verbeterde thermische geleidbaarheid van gefabriceerde stroomchips maakt een effectievere warmteafvoer mogelijk, waardoor ontwerpen met hogere vermogensdichtheid kunnen worden gerealiseerd zonder dat de betrouwbaarheid of veiligheidsmarges in gevaar komen. Kosten-effectiviteit wordt bereikt via verminderd materiaalverlies, geoptimaliseerde procesparameters en schaalbare productiemethoden die voldoen aan wisselende volumeeisen, terwijl consistente kwaliteitsnormen worden gehandhaafd. De productieflexibiliteit die inherent is aan moderne stroomchipfabricage maakt snelle aanpassing van substraatspecificaties mogelijk om specifieke toepassingsvereisten te vervullen, zonder uitgebreide herinrichting van machines of wijzigingen in het proces. Milieuvoordelen omvatten een lager energieverbruik tijdens bedrijf van de componenten, minder aanmaak van materiaalafval en compatibiliteit met duurzame productiepraktijken die aansluiten bij initiatieven voor bedrijfsgerichte milieuverantwoordelijkheid.

Praktische Tips

Het bereiken van topprestaties: Hoe high-speed ADC's en precisieversterkers samenwerken

07

Jan

Het bereiken van topprestaties: Hoe high-speed ADC's en precisieversterkers samenwerken

In het snel evoluerende landschap van de elektronica blijft de vraag naar nauwkeurige en snelle signaalverwerking exponentieel groeien. Van telecommunicatie-infrastructuur tot geavanceerde meetsystemen zoeken ingenieurs voortdurend naar oplossingen ...
MEER BEKIJKEN
Hoogwaarachtige ADC- en DAC-chips: de kern van precisiemetingssystemen

07

Jan

Hoogwaarachtige ADC- en DAC-chips: de kern van precisiemetingssystemen

In de hedendaagse geavanceerde meet- en regelsystemen is de koppeling tussen analoge signalen uit de echte wereld en digitale verwerking sterk afhankelijk van gespecialiseerde halfgeleidercomponenten. Deze cruciale interfacechips, specifiek hoogwaardige ADC- en DAC-chips...
MEER BEKIJKEN
Laagvermogen, hoge precisie: Hoe binnenlandse lineaire regelaars en spanningsreferenties invoersubstitutie mogelijk maken

02

Feb

Laagvermogen, hoge precisie: Hoe binnenlandse lineaire regelaars en spanningsreferenties invoersubstitutie mogelijk maken

De verstoringen in de wereldwijde halfgeleideraanvoerketen van de afgelopen jaren hebben onderstreept hoe cruciaal het is om sterke binnenlandse productiecapaciteiten op te bouwen. Terwijl industrieën wereldwijd worstelen met componenttekorten en geopolitieke spanningen, t...
MEER BEKIJKEN
Hoge-precisie ADC's, DAC's en spanningsreferenties: Uitgebreide analyse van laagvermogen binnenlandse oplossingen

02

Feb

Hoge-precisie ADC's, DAC's en spanningsreferenties: Uitgebreide analyse van laagvermogen binnenlandse oplossingen

De vraag naar hoogwaardige analoog-digitale converters in moderne elektronische systemen blijft stijgen, aangezien industrieën steeds nauwkeuriger meet- en regelcapaciteiten vereisen. Hoogwaardige ADC-technologie vormt de ruggengraat van geavanceerde...
MEER BEKIJKEN

Ontvang een gratis offerte

Onze vertegenwoordiger neemt binnenkort contact met u op.
E-mail
Naam
Bedrijfsnaam
Bericht
0/1000

productie van vermogenswafels

Geavanceerde kristalstructuurtechniek

Geavanceerde kristalstructuurtechniek

De productie van vermogenswafer maakt gebruik van geavanceerde technieken voor kristalstructuurtechniek die de elektrische en mechanische eigenschappen van siliciumsubstraten fundamenteel wijzigen om te voldoen aan de strenge vereisten van vermoeptoepassingen. Het proces begint met nauwkeurig gecontroleerde kristalgroeiprocedures die optimale roosterstructuren opzetten met een minimale dichtheid aan gebreken, waardoor de basis wordt gelegd voor superieure apparaatprestaties. Geavanceerde Czochralski-trekmethode gecombineerd met precieze temperatuurgradienten zorgt voor een uniforme kristaloriëntatie over de gehele wafers diameter, waardoor structurele ongelijkheden worden geëlimineerd die de elektrische geleidbaarheid of mechanische sterkte zouden kunnen aantasten. Het technische proces omvat strategische inbrenging van doterstoffen in gecontroleerde concentraties om specifieke weerstandsprofielen te bereiken die de stroomdraagcapaciteit optimaliseren, terwijl tegelijkertijd de spanningsblokkeercapaciteit behouden blijft die essentieel is voor het functioneren van vermoeptoepassingen. Gespecialiseerde aneleerprocessen verwijderen restspanningspatronen en stabiliseren de kristalstructuren, wat leidt tot verbeterde langetermijnbetrouwbaarheid onder thermische cycluscircumstances zoals vaak voorkomen in automotive- en industriële toepassingen. De benadering op basis van kristaltechniek maakt nauwkeurige controle mogelijk over de ladingsdragermobiliteitseigenschappen, zodat vermoeptoepassingen die op deze substraten zijn gefabriceerd snellere schakelsnelheden en lagere geleidingsverliezen kunnen bereiken in vergelijking met conventionele alternatieven. Kwaliteitsborgingsprocedures omvatten uitgebreide kristallografische analyse met behulp van röntgendiffractietechnieken en elektrische karakteriseringsmethoden om te verifiëren dat de structurele integriteit en elektrische eigenschappen voldoen aan strenge specificaties. De geavanceerde technische methoden resulteren in substraten met verbeterde mechanische sterkte die bestand zijn tegen barsten en vervorming tijdens latere apparaatverwerkingsstappen, wat de productieopbrengst verhoogt en de productiekosten verlaagt. Optimalisatie van de temperatuurcoëfficiënt via modificatie van de kristalstructuur waarborgt stabiele elektrische prestaties over brede bedrijfstemperatuurbereiken, wat cruciaal is voor automotive-elektronica en buitengebruikte vermoeomzettingsapparatuur. De precisie in techniek die wordt bereikt met deze geavanceerde methoden stelt producenten van vermoeosemiconductors in staat om toekomstige generaties apparaten te ontwikkelen met verbeterde efficiëntiecijfers en versterkte betrouwbaarheidseigenschappen die boven de industrienormen uitstijgen voor veeleisende toepassingen die consistente prestaties onder extreme bedrijfsomstandigheden vereisen.
Uitstekende thermische beheer eigenschappen

Uitstekende thermische beheer eigenschappen

De fabricage van vermogenswafer maakt gebruik van gespecialiseerde technieken die de thermische beheerseigenschappen aanzienlijk verbeteren, waardoor substraten ontstaan met uitzonderlijke warmteafvoercapaciteiten die essentieel zijn voor halfgeleiderapplicaties met hoog vermogen. Het productieproces optimaliseert de thermische geleidbaarheid via gecontroleerde wijzigingen in de kristalstructuur en oppervlaktebehandelingen die efficiënte warmteoverdracht van de actieve apparaatgebieden naar koellichamen mogelijk maken. Geavanceerde methoden voor substraatvoorbereiding creëren microscopische oppervlaktestructuren die het contactoppervlak van de thermische interface maximaliseren, terwijl tegelijkertijd de elektrische isolatie-eigenschappen behouden blijven die vereist zijn voor veilige werking in hoogspanningsapplicaties. De verbeterde thermische eigenschappen zijn het resultaat van zorgvuldig ontworpen materiaalsamenstellingen die een evenwicht bieden tussen elektrische prestatievereisten en superieure warmtegeleidende kenmerken, waardoor vermogensapparaten kunnen opereren bij hogere stroomdichtheden zonder de toegestane junctiontemperatuur te overschrijden. Gespecialiseerde optimalisatie van de thermische interface vermindert de thermische weerstand tussen halfgeleiderjunctions en substraatoppervlakken, wat de algehele thermische efficiëntie van het systeem verbetert en compactere ontwerpen van vermogensmodules mogelijk maakt. Het fabricatieproces omvat technieken voor het verlichten van thermische spanningen die onderlinge scheuring of delaminatie van het substraat tijdens temperatuurcyclusbelasting voorkomen, wat de langetermijnbetrouwbaarheid waarborgt in automotive- en industriële toepassingen waarbij temperatuurcyclusbelasting veelvoorkomt. De kwaliteitscontroleprocedure omvat uitgebreide thermische karakterisering met behulp van geavanceerde meetapparatuur, waarmee wordt geverifieerd dat de gemeten waarden voor thermische geleidbaarheid en uitzettingscoëfficiënt voldoen aan de specificatievereisten voor de betreffende toepassing. De superieure thermische beheerscapaciteiten stellen ontwerpers van vermogenssystemen in staat hogere vermogensdichtheden te realiseren terwijl veilige bedrijfstemperaturen worden gehandhaafd, waardoor de vereisten voor koelsystemen en de totale systeemkosten worden verlaagd. Compatibiliteit met thermisch modelleren zorgt ervoor dat de gefabriceerde substraten voorspelbaar thermisch gedrag vertonen, wat nauwkeurige thermische simulaties tijdens de ontwerpfase van vermogensmodules mogelijk maakt, waardoor de ontwikkelingstijd wordt verkort en de ontwerpoptimalisatie wordt verbeterd. De verbeterde thermische eigenschappen dragen bij aan een hogere apparaatefficiëntie door temperatuurafhankelijke verliezen te verminderen en bedrijf op optimale prestatiepunten over een breder temperatuurbereik mogelijk te maken. Milieuvoordelen omvatten een lagere energiebehoefte voor koeling en een verbeterde systeembetrouwbaarheid, wat leidt tot langere operationele levensduur en bijdraagt aan duurzame technologische oplossingen voor toepassingen op het gebied van hernieuwbare energie en elektrische voertuigen.
Nauwkeurige Kwaliteitscontrolesystemen

Nauwkeurige Kwaliteitscontrolesystemen

Power waferfabricage implementeert uitgebreide systemen voor precisiekwaliteitscontrole die consistente substraatprestaties en betrouwbaarheid garanderen over alle productiebatchs heen via strenge test- en meetprotocollen. Het kwaliteitscontrolekader omvat meerdere inspectiefases gedurende het gehele productieproces, beginnend bij de verificatie van inkomende grondstoffen en uitlopend tot de definitieve karakterisering van het substraat en de verpakkingsprocedures. Geavanceerde metrologie-apparatuur voert gedetailleerde oppervlakteanalyse uit met behulp van atoomkrachtmicroscopie en rasterelektronenmicroscopie om microscopische gebreken op te sporen die de prestaties of betrouwbaarheid van de componenten zouden kunnen aantasten. Elektrische karakteriseringsprocedures omvatten uitgebreide weerstandsmapping, metingen van de ladingsdragerlevensduur en analyse van de diffusielengte van minderheidsladingsdragers, waarmee wordt gecontroleerd of de elektrische eigenschappen voldoen aan de strenge specificaties voor toepassingen in vermoechtheidsemiconductoren. De precisiecontrolesystemen maken gebruik van statistische procescontrolemethoden die belangrijke procesparameters in real-time bewaken, waardoor onmiddellijke corrigerende maatregelen kunnen worden genomen wanneer afwijkingen de vooraf bepaalde controlelimieten overschrijden. Geautomatiseerde inspectiesystemen voeren niet-destructieve testprocedures uit om kristalkwaliteit, oppervlakteverontreinigingsniveaus en dimensionale nauwkeurigheid te beoordelen, zonder de integriteit van het substraat te schaden of mechanische beschadiging door hantering te veroorzaken. Uitgebreide documentatiesystemen houden gedetailleerde traceerbaarheidsgegevens bij voor elk substraat, wat snelle identificatie en oplossing van kwaliteitsproblemen mogelijk maakt en waardevolle feedback levert voor initiatieven op het gebied van continue procesverbetering. De kwaliteitscontroleprotocollen omvatten versnelde verouderingstests en thermische cyclustests om de langetermijnbetrouwbaarheid onder werkelijke bedrijfsomstandigheden te voorspellen, zodat de substraten voldoen aan de duurheidseisen voor automotive- en industriële toepassingen. De precisiemetingcapaciteiten reiken tot submicrometrische dimensionale toleranties en detectieniveaus voor verontreinigingen op parts-per-billion-niveau, wat boven de industrienormen ligt voor de kwaliteit van halfgeleidersubstraten. Gekalibreerde meetapparatuur ondergaat regelmatig verificatieprocedures met behulp van gecertificeerde referentiestandaarden om de meetnauwkeurigheid en traceerbaarheid naar nationale meetinstituten te waarborgen. De uitgebreide kwaliteitssystemen maken snelle identificatie van procesafwijkingen en implementatie van corrigerende maatregelen mogelijk, waardoor een consistente productkwaliteit wordt gehandhaafd terwijl de productie-efficiëntie wordt geoptimaliseerd en de productiekosten worden verlaagd door verbeterde opbrengstpercentages en minder noodzaak tot herwerk.

Ontvang een gratis offerte

Onze vertegenwoordiger neemt binnenkort contact met u op.
E-mail
Naam
Bedrijfsnaam
Bericht
0/1000