Industriële spanningsreferentie – Precisiespanningsstandaarden voor kritieke toepassingen

Alle categorieën
Vraag een offerte aan

Ontvang een gratis offerte

Onze vertegenwoordiger neemt binnenkort contact met u op.
E-mail
Naam
Bedrijfsnaam
Bericht
0/1000

industriële spanningsreferentie

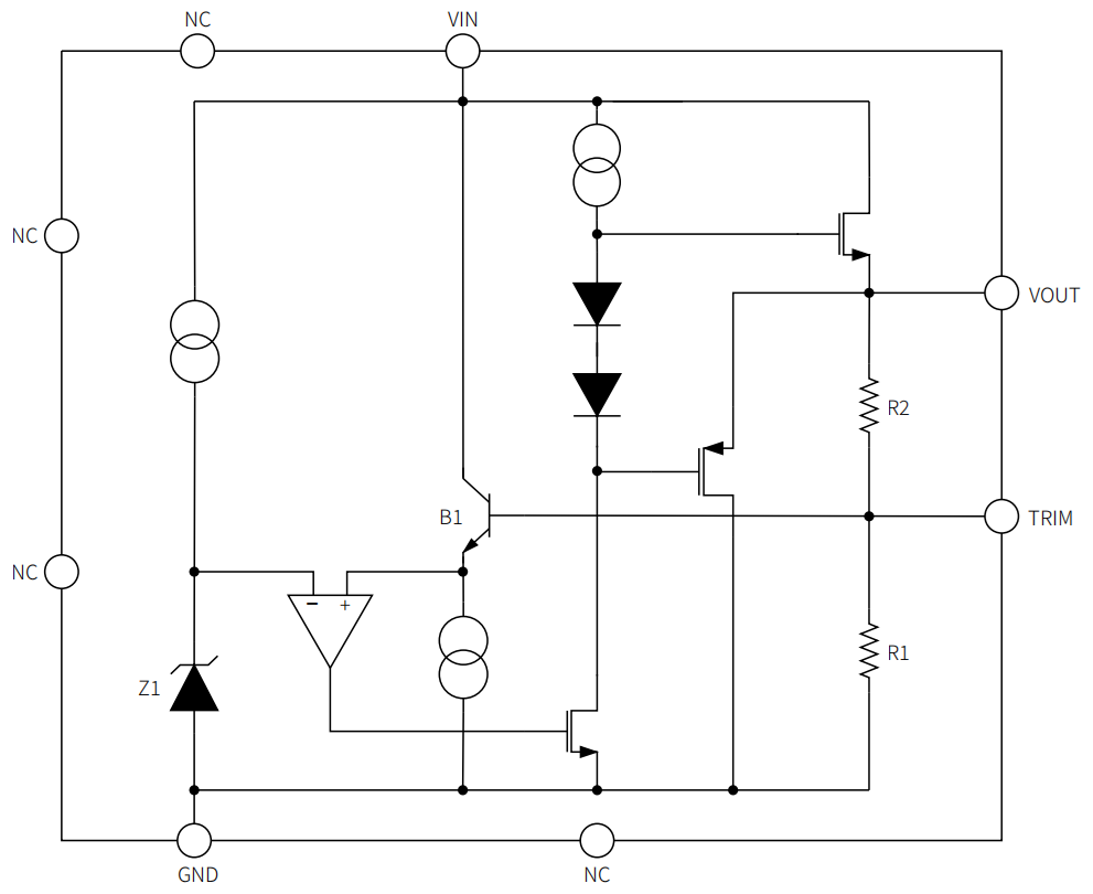
Een industriële spanningsreferentie fungeert als een cruciaal precisiecomponent in elektronische systemen en levert stabiele en nauwkeurige spanningsuitgangen waarop andere circuits kunnen vertrouwen voor meting, kalibratie en besturingsdoeleinden. Deze gespecialiseerde apparaten genereren zeer stabiele referentiespanningen die consistent blijven onder wisselende omgevingsomstandigheden, temperatuurschommelingen en operationele tijdsperiodes. De primaire functie van een industriële spanningsreferentie is het leveren van onveranderlijke spanningsnormen, waarmee nauwkeurige metingen en betrouwbare schakelingprestaties in veeleisende industriële omgevingen mogelijk zijn. Moderne industriële spanningsreferentie-eenheden maken gebruik van geavanceerde halfgeleidertechnologieën, waaronder bandgap-referentiecircuits en temperatuurcompensatiemechanismen, wat uitzonderlijke stabiliteit en nauwkeurigheid waarborgt. Deze apparaten bieden doorgaans uitgangsspanningen die variëren van standaardwaarden zoals 1,25 V, 2,5 V, 5 V tot 10 V; sommige gespecialiseerde modellen bieden daarnaast instelbare uitgangen om te voldoen aan specifieke toepassingsvereisten. Belangrijke technologische kenmerken omvatten een extreem lage temperatuurcoëfficiënt, meestal uitgedrukt in delen per miljoen per graad Celsius, wat minimale spanningsdrijf onder industriële temperatuurbereiken garandeert. De apparaten kenmerken zich ook door uitstekende langetermijnstabiliteit: zij behouden hun referentiespanning binnen strakke toleranties gedurende langdurige bedrijfsperioden. Veel industriële spanningsreferentie-eenheden zijn bovendien voorzien van ingebouwde spanningsregeling en filtermogelijkheden, waardoor ruis wordt verminderd en de algehele signaalintegriteit wordt verbeterd. Toepassingen strekken zich uit over talloze industriële sectoren, waaronder procesbesturingssystemen, meet- en registratieapparatuur, kalibratie-instrumenten, analoog-digitaal-converters en precisie-meetapparatuur. Productiefaciliteiten gebruiken deze referenties in kwaliteitscontrolesystemen, terwijl laboratoriumapparatuur op hen vertrouwt voor nauwkeurige metingen. Energiebeheersystemen, automotive-elektronica, lucht- en ruimtevaarttoepassingen en medische apparatuur profiteren allen van de betrouwbare prestaties die industriële spanningsreferentiecomponenten bieden. De robuuste constructie van deze apparaten zorgt ervoor dat zij harde industriële omstandigheden kunnen weerstaan zonder afbreuk te doen aan hun precisiekenmerken.

Nieuwe producten

Industriële spanningsreferentieapparaten leveren aanzienlijke operationele voordelen die direct van invloed zijn op de systeemprestaties en betrouwbaarheid in professionele omgevingen. Deze componenten bieden uitzonderlijke nauwkeurigheid die verder gaat dan standaardspanningsregelaars, waardoor metingen binnen strikte toleranties blijven die essentieel zijn voor kwaliteitscontrole en precisieproductieprocessen. De superieure temperatuurstabiliteit van industriële spanningsreferentie-eenheden betekent dat apparatuur consistent presteert ongeacht omgevingsfluctuaties, wat de noodzaak voor frequente hercalibratie vermindert en operationele stilstand minimaliseert. Deze stabiliteit vertaalt zich in aanzienlijke kostenbesparingen door verminderde onderhoudseisen en verbeterde productie-efficiëntie. Lange-termijnbetrouwbaarheid is een ander cruciaal voordeel: deze apparaten behouden hun gespecificeerde prestaties gedurende jarenlang continu gebruik, waardoor uw investering in kritieke apparatuur wordt beschermd. De lage ruiskenmerken van industriële spanningsreferentiecomponenten verbeteren de signaalqualiteit door het gehele systeem heen, waardoor de meetnauwkeurigheid wordt verbeterd en storingen worden verminderd die gevoelige operaties zouden kunnen compromitteren. Veel units beschikken over meerdere uitgangskanalen, zodat één apparaat tegelijkertijd meerdere circuits kan bedienen, wat het systeemontwerp vereenvoudigt en het aantal componenten vermindert. De brede ingangsspanningsbereikmogelijkheid van moderne industriële spanningsreferentieapparaten biedt flexibiliteit bij het ontwerp van de voeding, waardoor diverse systeemconfiguraties kunnen worden ondersteund zonder extra spanningsomzettingsfasen. Verbeterde belastingsregeling zorgt voor een constante uitgangsspanning, zelfs wanneer aangesloten circuits wisselende stroomhoeveelheden trekken, wat systeemstabiliteit waarborgt onder dynamische bedrijfsomstandigheden. Ingebouwde beveiligingsfuncties, zoals overspannings- en omgekeerde polariteitsbeveiliging, beschermen zowel het referentieapparaat als de aangesloten circuits tegen schade, waardoor reparatiekosten en systeemkwetsbaarheden worden verminderd. De compacte vormfactoren die beschikbaar zijn, maken eenvoudige integratie mogelijk in toepassingen met beperkte ruimte, terwijl toch professionele prestaties worden geboden. Veel industriële spanningsreferentie-eenheden bieden pin-compatibele upgrades voor bestaande ontwerpen, waardoor prestatieverbeteringen mogelijk zijn zonder dat een nieuw printplaatontwerp nodig is. De brede werktemperatuurbereiken die door deze apparaten worden ondersteund, garanderen betrouwbare werking in uitdagende omgevingen waar standaardcomponenten mogelijk zouden falen. Snelle opstarttijden minimaliseren vertragingen bij systeeminitialisatie en verbeteren daarmee de algehele reactiesnelheid van de apparatuur. De uitstekende lijnregelingscapaciteiten zorgen voor stabiele uitgangen ondanks variaties in de kwaliteit van de ingangsspanning, wat essentieel is in industriële installaties waar de voedingstoestanden kunnen fluctueren. Deze gecombineerde voordelen resulteren in verbeterde systeemnauwkeurigheid, lagere bedrijfskosten, hogere betrouwbaarheid en vereenvoudigde onderhoudsprocedures, wat elk bedrijf ten goede komt dat nauwkeurige spanningsreferenties vereist voor zijn operaties.

Tips en trucs

Nauwkeurigheid, driften en ruis: De belangrijkste specificaties van precisiespanningsreferenties

24

Nov

Nauwkeurigheid, driften en ruis: De belangrijkste specificaties van precisiespanningsreferenties

In de wereld van elektronisch circuitontwerp en meetsystemen vormen precisiespanningsreferenties de hoeksteen voor het bereiken van nauwkeurige en betrouwbare prestaties. Deze essentiële componenten leveren stabiele referentiespanningen die nauwkeurige... mogelijk maken
MEER BEKIJKEN
Het juiste hoogpresterende instrumentatieversterker kiezen voor precisie meetsystemen

24

Nov

Het juiste hoogpresterende instrumentatieversterker kiezen voor precisie meetsystemen

Precisie meetsystemen vormen de ruggengraat van moderne industriële toepassingen, van lucht- en ruimtevaartinstrumentatie tot kalibratie van medische apparatuur. In het hart van deze systemen bevindt zich een cruciale component die de meetnauwkeurigheid en signaalkwaliteit bepaalt...
MEER BEKIJKEN
Betrouwbare systemen bouwen: de rol van precisie spanningsreferenties en LDO's in industriële toepassingen

07

Jan

Betrouwbare systemen bouwen: de rol van precisie spanningsreferenties en LDO's in industriële toepassingen

Industriële automatisering en regelsystemen vereisen onwrikbare nauwkeurigheid en betrouwbaarheid om optimale prestaties te garanderen onder uiteenlopende bedrijfsomstandigheden. In het hart van deze geavanceerde systemen bevinden zich kritieke componenten die een stabiele stroomvoorziening bieden ...
MEER BEKIJKEN
Hoogwaardige snelheid versus hoge nauwkeurigheid: hoe u de ideale ADC voor uw signaalketen kiest

03

Feb

Hoogwaardige snelheid versus hoge nauwkeurigheid: hoe u de ideale ADC voor uw signaalketen kiest

Analoge-naar-digitale omzetters (ADC’s) vormen één van de meest kritieke componenten in moderne elektronische systemen, omdat ze de kloof overbruggen tussen de analoge wereld en digitale verwerkingsmogelijkheden. De keuze van een ADC vereist zorgvuldige afweging van meerdere...
MEER BEKIJKEN

Ontvang een gratis offerte

Onze vertegenwoordiger neemt binnenkort contact met u op.
E-mail
Naam
Bedrijfsnaam
Bericht
0/1000

industriële spanningsreferentie

Precisietechnologie voor temperatuurcompensatie

Precisietechnologie voor temperatuurcompensatie

De geavanceerde temperatuurcompensatietechnologie die is geïntegreerd in industriële spanningsreferentiesystemen vormt een doorbraak bij het behouden van spanningsnauwkeurigheid onder extreme omgevingsomstandigheden. Deze geavanceerde functie lost een van de grootste uitdagingen in precisie-elektronica op: de neiging van spanningsuitgangen om te driften bij temperatuurveranderingen. Industriële spanningsreferentie-eenheden maken gebruik van meerdere compensatietechnieken, waaronder bandgap-referentiecircuits en thermisch afgestemde componentparen, om temperatuurcoëfficiënten te bereiken van slechts 1–2 delen per miljoen per graad Celsius. Deze uitzonderlijke prestatie betekent dat zelfs bij een temperatuurverschil van 100 graden Celsius de spanningsuitgang binnen uiterst strakke toleranties blijft, wat een consistente systeemprestatie waarborgt. De compensatiecircuits monitoren continu de omgevingstemperatuur en passen automatisch interne parameters aan om thermische effecten te neutraliseren, waardoor real-time correctie wordt geboden zonder externe ingreep. Deze autonome werking elimineert de noodzaak voor handmatige kalibratieaanpassingen, waardoor arbeidskosten dalen en het risico op menselijke fouten wordt beperkt. Het temperatuurcompensatiesysteem werkt over het gehele gespecificeerde bedrijfsbereik, doorgaans van -40 °C tot +125 °C, waardoor deze apparaten geschikt zijn voor zware industriële omgevingen, zoals buitensignaleringen, automotive-toepassingen en productiefaciliteiten met extreme temperatuurschommelingen. De geavanceerde algoritmen die in moderne industriële spanningsreferentieapparaten worden gebruikt, kunnen onderscheid maken tussen snelle temperatuurtransiënten en stationaire toestanden, en reageren op gepaste wijze op elk scenario. Tijdens snelle temperatuurveranderingen biedt het compensatiesysteem onmiddellijke correctie om spanningsafwijkingen te voorkomen, terwijl het tijdens stationaire toestanden de uitgang fijnafstelt voor maximale nauwkeurigheid. Dit intelligente temperatuurbeheer verlengt de levensduur van componenten door thermische belasting op interne circuits te verminderen, terwijl de precisie die vereist is voor kritieke metingen wordt gehandhaafd. De thermische massa en de warmteafvoereigenschappen van industriële spanningsreferentiebehuizingen zijn zorgvuldig geoptimaliseerd om zelfverwarmingseffecten — die de nauwkeurigheid van de temperatuurcompensatie zouden kunnen verstoren — tot een minimum te beperken. Deze uitgebreide aanpak van temperatuurbeheer zorgt ervoor dat precisieapparatuur, kalibratie-instrumenten en meetsystemen hun nauwkeurigheidsspecificaties behouden, ongeacht de omgevingsomstandigheden, en gebruikers betrouwbare prestaties en vertrouwen in hun meetresultaten bieden.
Ultra-lage-ruis signaalintegriteit

Ultra-lage-ruis signaalintegriteit

De uiterst lage ruisprestatie van industriële spanningsreferentieapparaten levert een uitzonderlijke signaalintegriteit op die direct van invloed is op de nauwkeurigheid en betrouwbaarheid van aangesloten meet- en regelsystemen. Deze cruciale eigenschap beantwoordt aan de groeiende vraag naar precisie in moderne industriële toepassingen, waarbij zelfs minimale elektrische ruis de systeemprestatie en meetnauwkeurigheid kan verlagen. Industriële spanningsreferentieapparaten bereiken hun superieure ruisprestatie via zorgvuldig ontworpen schakelingstopologieën, waaronder laagruisversterkers, precieze filternetwerken en geoptimaliseerde lay-outtechnieken die elektromagnetische interferentie tot een minimum beperken. De typische ruispecificaties voor deze apparaten liggen in de microvolt RMS-bereik over relevante frequentiebanden, wat garandeert dat het referentiesignaal schoon en stabiel blijft voor veeleisende toepassingen. Deze lage ruisvloer wordt met name belangrijk in hoogresolutie analoge-naar-digitale conversiesystemen, waarbij ruis op de referentie direct leidt tot verminderde meetresolutie en grotere onzekerheid. De breedbandruiseigenschappen van industriële spanningsreferentieapparaten zijn geoptimaliseerd voor diverse frequentiebereiken en bieden uitstekende prestaties vanaf gelijkstroom (DC) tot enkele megahertz, waardoor ze geschikt zijn voor verschillende systeemarchitecturen en bemonsteringsfrequenties. Geavanceerde filtertechnieken die in deze apparaten zijn geïntegreerd, onderdrukken zowel laagfrequent knipperruis (flicker noise) als hoogfrequent thermische ruis, en leveren daarmee een schoon referentiesignaal over het gehele spectrum. De ruisprestatie blijft consistent over het volledige bedrijfstemperatuurbereik en bij variaties in de voedingsspanning, wat een betrouwbare signaalkwaliteit onder alle bedrijfsomstandigheden waarborgt. Veel industriële spanningsreferentieapparaten omvatten meervoudige filter- en regeltrappen om hun uitzonderlijke ruisprestatie te bereiken, waarbij elke trap is geoptimaliseerd voor specifieke frequentiebereiken en ruisbronnen. De lage uitgangsimpedantie van deze apparaten draagt bij aan het behoud van de signaalintegriteit bij het aansturen van meerdere belastingen of lange kabelverbindingen, waardoor ruisopname en signaalafbraak in praktische installaties worden voorkomen. Juiste aardings- en afschermingstechnieken zijn geïntegreerd in het apparaatontwerp om de gevoeligheid voor externe ruisbronnen — die veelvoorkomend zijn in industriële omgevingen — tot een minimum te beperken. De uitstekende verhouding van voedingsspanningsafscherming (PSRR) van industriële spanningsreferentieapparaten voorkomt dat ruis en variaties in de ingangsspanning van invloed zijn op de referentie-uitgang, waardoor de signaalzuiverheid ook in elektrisch storende omgevingen wordt gehandhaafd. Deze uitgebreide aanpak van ruisreductie stelt precisie-instrumenten, gegevensverzamelsystemen en kalibratieapparatuur in staat hun volledige prestatiepotentieel te realiseren en gebruikers te voorzien van nauwkeurige, reproduceerbare metingen en betrouwbare systeemwerking.
Uitgebreide Levensduur en Betrouwbaarheid

Uitgebreide Levensduur en Betrouwbaarheid

De uitgebreide levensduur en uitzonderlijke betrouwbaarheid van industriële spanningsreferentieapparaten vormen cruciale voordelen voor toepassingen waarbij missie-kritische eisen worden gesteld, en waarbij langetermijnstabiliteit en minimale onderhoudseisen essentieel zijn. Deze robuuste componenten zijn ontworpen om gedurende decennia onafgebroken bedrijfsvoering een consistente prestatie te leveren, met behulp van geavanceerde halfgeleiderproductieprocessen en strenge kwaliteitscontrolemaatregelen om maximale betrouwbaarheid te garanderen. De inherente ontwerpfilosofie achter industriële spanningsreferentie-eenheden richt zich op levensduur door middel van zorgvuldige materiaalselectie, conservatieve bedrijfsparameters en uitgebreide verouderingsprocessen die de kenmerken van het apparaat stabiliseren voordat deze worden verzonden. Uitgebreide geaccelleerde levensduurtestprotocollen simuleren jarenlang gebruik binnen een verkorte tijdsperiode, waardoor de langetermijnstabiliteit wordt bevestigd en mogelijke faalmodi worden geïdentificeerd voordat de apparaten bij klanten aankomen. De typische levensduur van industriële spanningsreferentieapparaten overschrijdt onder normale bedrijfsomstandigheden ruimschoots de 20 jaar, terwijl vele eenheden nog lang daarna aan de specificaties blijven voldoen. Deze uitzonderlijke levensduur is het gevolg van het gebruik van hoogwaardige halfgeleidermaterialen, precisieproductietechnieken en conservatieve elektrische belastingsniveaus, die de versletenheidsmechanismen tegengaan die vaak samenhangen met de veroudering van elektronische componenten. De apparaten ondergaan uitgebreide burn-in-procedures om vroege faalmodi te elimineren en om ervoor te zorgen dat alleen de meest stabiele eenheden in productiesystemen worden ingezet. Omgevingsstressscreening onderwerpt componenten aan temperatuurwisselingen, mechanische trillingen en andere omstandigheden die verborgen gebreken kunnen blootleggen, wat de betrouwbaarheid verder verbetert. Robuuste behuizingsontwerpen beschermen de interne schakelingen tegen vocht, vervuiling en mechanische belasting die de langetermijnprestaties zouden kunnen aantasten. Veel industriële spanningsreferentie-eenheden zijn voorzien van hermetische verpakkingen die uiterste bescherming bieden tegen omgevingsfactoren, waardoor stabiele werking wordt gewaarborgd onder veeleisende omstandigheden. De uitstekende thermische eigenschappen van deze apparaten, inclusief lage interne vermogensdissipatie en efficiënte warmteoverdracht, minimaliseren thermische spanningen die het verouderingsproces zouden kunnen versnellen. Uitgebreide betrouwbaarheidsgegevens, zoals statistieken over de gemiddelde tijd tussen storingen (MTBF) en prognoses van de storingsfrequentie, helpen gebruikers bij het nemen van gefundeerde beslissingen over onderhoudsintervallen en ontwerpmarges voor systemen. De consistente prestatiekenmerken in de tijd betekenen dat kalibratie-intervallen kunnen worden verlengd, wat de operationele kosten en systeemstilstand verlaagt. Dit betrouwbaarheidsvoordeel wordt bijzonder waardevol in toepassingen waarbij vervanging van de referentie moeilijk of kostbaar zou zijn, zoals bij afgelegen bewakingssystemen, lucht- en ruimtevaarttoepassingen of ingebedde regelsystemen met uitgebreide servicevereisten.

Ontvang een gratis offerte

Onze vertegenwoordiger neemt binnenkort contact met u op.
E-mail
Naam
Bedrijfsnaam
Bericht
0/1000