Gambaran Keseluruhan
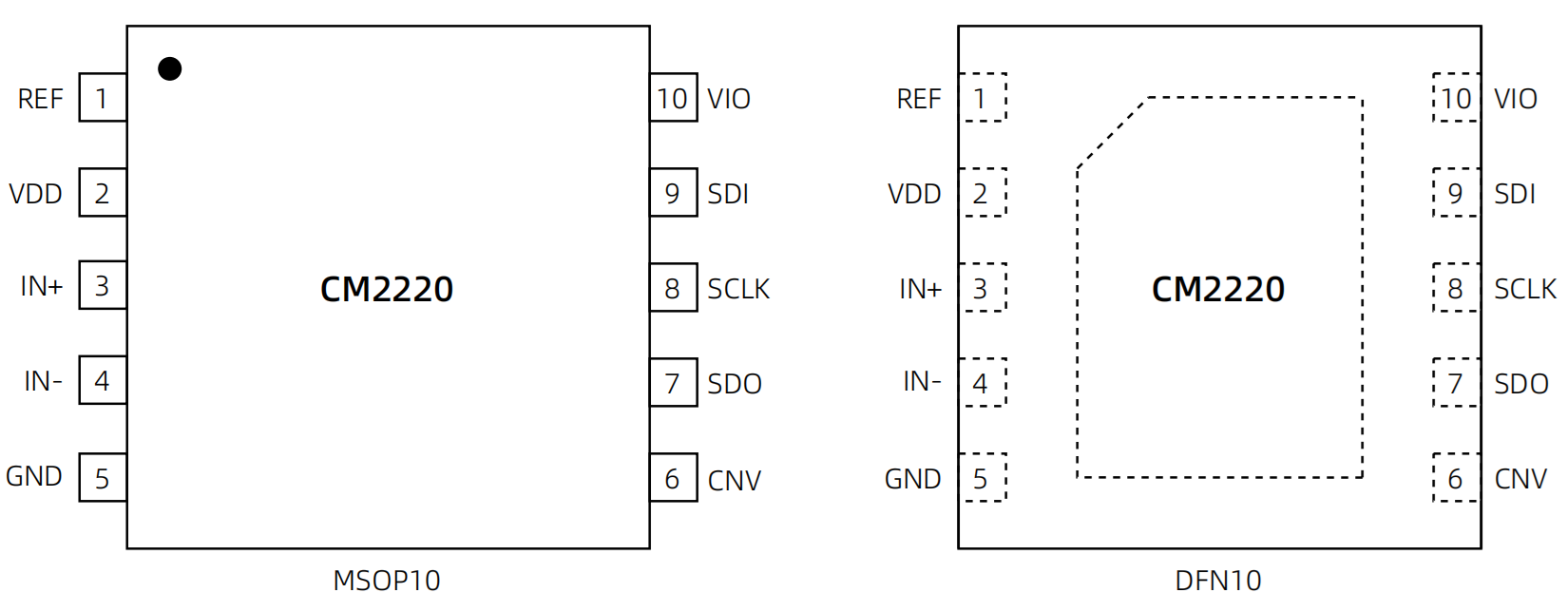
CM2220 adalah pengubah analog ke digital (ADC) pendaftaran pendekatan berturutan (SAR) 16-bit yang beroperasi dengan bekalan tunggal. Ia mengintegrasikan ADC pensampelan 16-bit berkelajuan tinggi dan berkuasa rendah serta antara muka bersiri yang serba guna. Pada pinggir menaik CNV, CM2220 mencatat perbezaan voltan antara pin IN+ dan IN−, dengan julat voltan masukan dari 0 V hingga VREF. Voltan rujukan VREF disediakan dari luar dan boleh bebas daripada voltan bekalan VDD. Penggunaan kuasa berkadar terus dengan kadar pensampelan.
Dengan menggunakan pin masukan SDI antara muka SPI, beberapa ADC boleh disambung dalam konfigurasi rantaian bertingkat, dengan petunjuk sibuk pilihan tersedia. Dengan bekalan VIO berasingan, peranti ini serasi dengan aras logik 1.8 V, 2.5 V, 3 V, dan 5 V.
CM2220 terdapat dalam pakej MSOP10 dan DFN10, dan julat suhu pengendalian optimumnya adalah dari −40°C hingga 125°C.
Ciri-ciri
Operasi bekalan tunggal: 1.8 V
Voltan antara muka logik: 1.8 V, 2.5 V, 3 V, 5 V
Julat masukan analog pseudo-berbeza: 0 V hingga VREF (VREF = 2.5 V hingga 5 V)
resolusi 16-bit, tiada kod yang hilang
Kadar persampelan: 1 MSPS
Prestasi
INL: ±0.6 LSB biasa (VREF = 5 V)
Julat dinamik: 92 dB (VREF = 5 V)
SNR: 91.5 dB (fIN = 1 kHz, VREF = 5 V)
SNDR: 91 dB (fIN = 1 kHz, VREF = 5 V)
THD: −115 dB (fIN = 1 kHz, VREF = 5 V)
Antaramuka Siri
Kehabisan kuasa
3.5 mW (1 MSPS, VDD sahaja)
5.2 mW (1 MSPS, jumlah kuasa)
50 μW (10 kSPS, jumlah kuasa)
Pakej
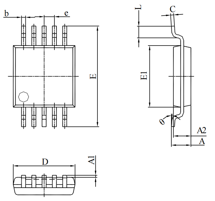
MSOP10 3 mm × 3 mm
DFN10 3 mm × 3 mm
Aplikasi
Papan instrumen
Peralatan ujian automatik
Kad pengumpulan data berketepatan tinggi
Alatan Perubatan
Peralatan Automasi Perindustrian
Perolehan Isyarat Analog
Gambarajah Blok Senibina

Konfigurasi pin

Dimensi penampilan




Kes Penggunaan CM2220 dalam Kawalan Perindustrian dan Proses
CM2220 digunakan secara meluas dalam kawalan perindustrian dan proses disebabkan kelebihan teknologinya dari segi kelajuan penghantaran data yang tinggi dan ketepatan tinggi.
Sebagai alternatif terbaik kepada AD7980, CM2220 mempunyai nisbah prestasi-kos yang tinggi.
Litar tipikal permohonan apabila menggunakan sumber kuasa berganda adalah seperti berikut:

CM2220 adalah ADC SAR 16 bit presisi berkuasa tunggal, kelajuan tinggi, dan berkuasa rendah.
Kadar penukaran maksimum CM2220 boleh mencapai 1MSPS, dan cip dimatikan di antara dua penukaran. Apabila beroperasi pada kadar 10kSPS, penggunaan kuasa tipikalnya adalah 50 μW, menjadikannya pilihan ideal untuk aplikasi bertenaga bateri.
CM2220 menyediakan litar sampel dan tahan terbina dalam kepada pengguna tanpa sebarang kelewatan paip, menjadikannya sangat sesuai untuk aplikasi penggandaan berbilang saluran.
CM2220 boleh disambungkan ke mana-mana antara muka logik digital 1.8V hingga 5V, menyediakan pengepakan MSOP10 dan DFN10, menjimatkan ruang dan konfigurasi yang fleksibel.
Pin-pin CM2220 adalah sepenuhnya serasi dengan pin-pin CM2322.
Senarai produk
SAR ADC
| P/N |
TAIP |
Pakej |
MPQ(Pcs) |
Bandingan terhadap |
| CM2248-QFPTR |
Adc |
Tray |
1600 |
AD7606 |
| CM2249-QFPT |
Adc |
Tray |
900 |
AD7616 |
| CM2368-QFPTR |
Adc |
Tray |
1600 |
AD7606C-18 |
| CM2268-QFPTR |
Adc |
Tray |
1600 |
AD7606C-16 |
| CM2219-QFNTR |
Adc |
Tray |
4900 |
AD7699 |
| CM2209-QFNTR |
Adc |
Tray |
4900 |
AD7689 |
| CM2322-MSOTA |
Adc |
Tray |
4000 |
AD7982 |
| CM2220-MSOTA |
Adc |
Gelung |
4000 |
AD7980 |
| CM2431-MSOTA |
Adc |
Tray |
4000 |
AD4020 |
| CM2272-MSOTA |
Adc |
Gelung |
5000 |
ADS8354 |
Tentang Kami
Kami memberi tumpuan pada aplikasi IGBT produk . Berdasarkan aplikasi IGBT, kami telah memperluas spektrum produk kami kepada penyesuaian Power Assemblies bertaraf tinggi, pada masa yang sama, perniagaan kami telah berkembang ke dalam bidang produk kawalan automasi, termasuk ADC/DAC, LDO, penguat instrumentasi, geganti elektromagnetik, PhotoMOS, dan MOSFET. Dengan cara ini, kami boleh bekerjasama dengan pengilang terkemuka dari China dalam bidang kepakaran kami untuk menyediakan produk yang boleh dipercayai dan berkos efektif kepada pelanggan kami.
Ditubuhkan berdasarkan prinsip inovasi dan kecemerlangan, berdiri di barisan hadapan penyelesaian alternatif semikonduktor dan teknologi.
Visi kami adalah menyediakan penyelesaian alternatif kepada pelanggan kami, meningkatkan prestasi kos bagi penyelesaian aplikasi mereka dan memastikan keselamatan rantaian bekalan mereka melalui buatan China.









Pengguna kami
