Überblick
Der CM2431 ist ein hochpräziser, schneller, stromsparender 20-Bit-Successive-Approximation-Register (SAR)-Analog-Digital-Wandler (ADC) mit integriertem Pre-Charge-Eingangstreiber, der mit einer einzigen Versorgungsspannung arbeitet. Er verwendet eine extern bereitgestellte Referenzspannung (VREF), die unabhängig von der Versorgungsspannung eingestellt werden kann.
Der Stromverbrauch des CM2431 variiert linear mit der Abtastrate.
Der Pre-Charge-Eingangstreiber reduziert die Komplexität und den Stromverbrauch der Signalverarbeitungskette, unterstützt dabei jedoch eine hohe Kanaldichte. Mit aktiviertem Pre-Charge-Treiber macht die geringe Eingangsstromaufnahme in Kombination mit einem breiten Abtastfenster einen dedizierten ADC-Treiber überflüssig, wodurch die externe Schaltung vereinfacht wird.
Der Eingangspegel-Komprimierungsmodus des CM2431 ermöglicht eine vollständige Nutzung des ADC-Codebereichs, ohne dass eine negative Versorgungsspannung für den Treiberverstärker erforderlich ist. Die Überspannungs-Schutzschaltung an den Eingängen schützt die ADC-Eingänge vor Überspannungen, minimiert Störungen am Referenzeingang und macht externe Schutzdioden überflüssig.
Mit einer Abtastrate von bis zu 1,8 MSPS ermöglicht der CM2431 die genaue Erfassung hochfrequenter Signale und unterstützt das Oversampling. Die hervorragende Linearität des ADC gewährleistet eine hohe dynamische Leistung in überabgetasteten Systemen. Eine unabhängige Logikversorgung (VIO) ermöglicht die Kompatibilität mit 1,8-V-, 2,5-V-, 3-V- und 5-V-Logikschnittstellen.
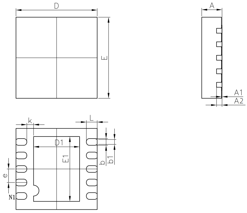
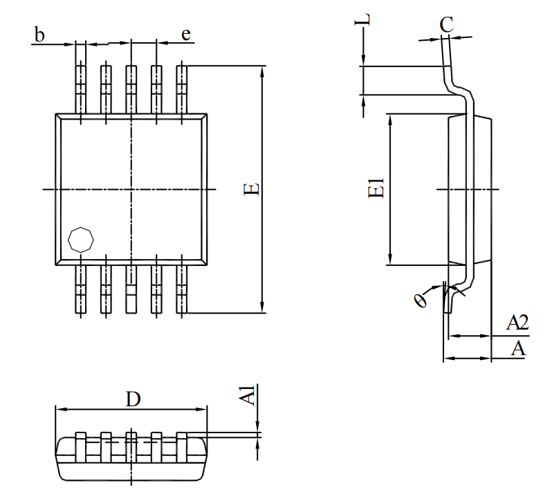
Der CM2431 ist in den Gehäusen MSOP-10 und DFN-10 erhältlich und für den Betrieb von –40 °C bis +125 °C spezifiziert.
Merkmale
- Einfache Versorgungsspannung: 1,8 V
- Logikschnittstellenspannung: 1,71 V bis 5,5 V
- Differenter analoger Eingangsbereich: ±VREF (VREF-Bereich: 2,4 V bis 5,1 V)
- 20-Bit-Auflösung, keine fehlenden Codes
- Abtastrate: 1,8 MSPS
Leistung
- INL: maximal ±4,5 ppm
- Dynamikbereich: 105 dB (OSR = 2), 131 dB (OSR = 1024)
- SNR: 100,5 dB (fIN = 1 kHz, VREF = 5 V)
- SNDR: 100 dB (fIN = 1 kHz)
- THD: –120 dB (fIN = 1 kHz)
- Integrierter Vorlade-Eingangs-Treiber
- Deutlich reduzierte Rückwirkung, Eingangsstrom so niedrig wie 0,5 μA/MSPS
- Breites Abtastfenster: Nahezu 50 % jedes Umwandlungszyklus für die Abtastung vorgesehen
- Gültige Daten ab erster Umwandlung ohne Pipeline-Verzögerung
- Eingangsbereich-Komprimierungsmodus (geeignet für Einzelversorgungsbetrieb)
- Eingangs-Überspannungs-Festspannung, fähig bis zu 50 mA zu senken
- SPI-/QSPI-/MICROWIRE-kompatibles serielles Interface
- Niedriger Stromverbrauch:
- 80 μW (10 kSPS, Gesamtleistung)
- 13 mW (1,8 MSPS, Gesamtleistung)
- Gehäuseoptionen: MSOP-10 (3 mm × 3 mm) und DFN-10 (3 mm × 3 mm)


MSOP10
P/N |
TYP |
Kanäle |
Auflösung |
SE/DIFF |
SNR |
Abtastrate (max.) |
Signaleingangsbereich |
INL |
Vergleich mit |
Schnittstelle |
T(℃) |
CM2248 |
Adc |
8 |
16 |
Se |
92dB |
200kSPS |
± 10 V |
1LSB |
AD7606 |
SPI/Parallel |
-40~125 |
CM2249 |
Adc |
16 |
16 |
Se |
90dB |
1m SPS |
± 10 V |
1LSB |
AD7616 |
SPI/Parallel |
-40~125 |
CM2368 |
Adc |
8 |
18 |
SE/DIFF |
93,6 dB |
1m SPS |
±25 V |
3,5 LSB |
AD7606C-18 |
SPI/Parallel |
-40~125 |
CM2268 |
Adc |
8 |
16 |
SE/DIFF |
92,6 dB |
1m SPS |
±25 V |
1LSB |
AD7606C-16 |
SPI/Parallel |
-40~125 |
CM2219 |
Adc |
8 |
16 |
SE/DIFF |
91,4 dB |
500k SPS |
0-5 V |
1,5 LSB |
AD7699 |
Spie |
-40~125 |
CM2209 |
Adc |
8 |
16 |
SE/DIFF |
92,7 dB |
250k SPS |
0-5 V |
1,5 LSB |
AD7689 |
Spie |
-40~125 |
CM2322 |
Adc |
1 |
18 |
Diff |
97,3 dB |
1m SPS |
±VREF |
0,6 LSB |
AD7982 |
Spie |
-40~125 |
CM2220 |
Adc |
1 |
16 |
Se |
91,4 dB |
1m SPS |
0~VREF |
0,6 LSB |
AD7980 |
Spie |
-40~125 |
CM2431 |
Adc |
1 |
20 |
Diff |
101dB |
1.8M SPS |
±VREF |
3LSB |
AD4020 |
Spie |
-40~125 |
Cm2 274 |
Adc |
4 |
16 |
Diff |
91dB |
5M SPS |
±VREF |
1LSB |
AD7380-4 |
SPI/QSPI |
40~125 |