Overzicht
De CM5102 is een uiterst nauwkeurige bandgap-spanningsreferentiechip. Deze kan een uitgangsspanning van 2,5 V of 3,0 V leveren binnen een ingangsspanningsbereik van 4 V tot 36 V en ondersteunt een maximale bidirectionele stroombelasting van 10 mA. De lage initiële fout, de lage temperatuurdrijf, het lage uitgangsruisniveau en de sterke aandrijfvermogen van de CM5102 maken deze chip tot een ideale partner voor hoogresolutie analoge-digitaal-converters (ADC’s) en digitale-analoge-converters (DAC’s), evenals voor alle toepassingen die hoge nauwkeurigheid vereisen.
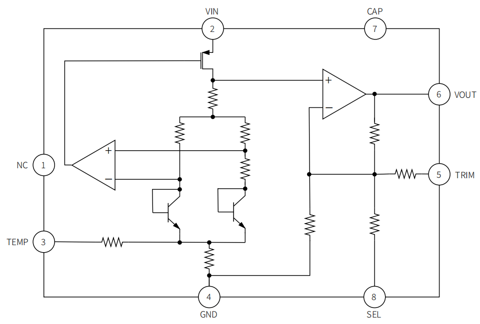
De TEMP-poort van de CM5102 levert een spanning af die lineair varieert met de temperatuur en kan worden gebruikt als een temperatuursensor.
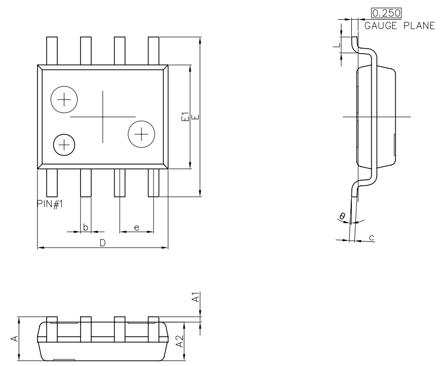
De CM5102 is verkrijgbaar in een SOP8-behuizing, met een maximaal bedrijfstemperatuurbereik van -55 °C tot 125 °C.
Kenmerken
- Wijd ingangsspanningsbereik voor de voeding: 4 V tot 36 V
- Uitgang kan via pinconfiguratie worden ingesteld op 2,5 V of 3,0 V
- Uiterst lage temperatuurdrijf: maximale waarde is 5 ppm/°C ℃
- Lage initiële fout: maximale waarde is ±0,5 mV
- Laag ruisniveau: 4 µVpp μ Vpp (0,1 Hz tot 10 Hz)
- Ondersteunt fijnafstelling van de uitgangsspanning
- Uitgangspin voor temperatuursensoren
Toepassingen
- Industriële en procesregeling
- Systeem voor gegevensverzameling met hoge resolutie
- Instrumenten
- Automatische regeling en bewaking
- Medische Apparatuur
Architectuurschema

Pinconfiguratie

| Mark |
Afmetingen(mm) |
| Min. |
Typisch |
Maximaal |
| Een |
1.45 |
1.6 |
1.75 |
| A1 |
0.1 |
0.175 |
0.25 |
| A2 |
1.35 |
1.45 |
1.55 |
| b |
0.33 |
0.42 |
0.51 |
| c |
0.17 |
0.21 |
0.25 |
| D |
4.7 |
4.9 |
5.1 |
| E |
5.8 |
6 |
6.2 |
| E1 |
3.8 |
3.9 |
4 |
| e |
1,270 (BSC) |
| L |
0.4 |
0.835 |
1.27 |
| θ |
0° |
4° |
8° |

Lijst van producten
Hoogwaardige spanningsreferenties met hoge precisie
| P/N |
Type |
Verpakking |
MPQ(Aantal stuks) |
Vergelijkingspunten tegen |
| CM5102-SOPTA |
REF |
Rol |
4000 |
AD780 ADR431 REF4025 REFS025 |
| CM5415-SOPTA |
REF |
Rol |
4000 |
LT1021 ADR435 REF4050 |
| CM5405-SOPTA |
REF |
Rol |
4000 |
N.v.t. |
| CM5407-SOPTA |
REF |
Rol |
4000 |
N.v.t. |
| CM5400-SOPTA |
REF |
Rol |
4000 |
N.v.t. |
Veelgestelde vragen
- Wat is er? Hoe kan ik het product kiezen dat bij mij past?
A: Geef alstublieft de soorten producten die u nodig hebt, de toepassing scenario's en uw vereisten voor technische parameters. Op basis van uw verzoeken raden wij geschikte producten aan en sturen wij u een datasheet om te bevestigen of de technische parameters van ons product aan uw eisen voldoen.
- Wat is er? Hoe wordt de minimale bestelhoeveelheid en de verpakking bepaald?
A: Ons datasheet geeft de MPQ en de verpakkingstypes aan.
Wij accepteren bestellingen met hoeveelheden die lager zijn dan de MPQ.
- Wat is er? Kunt u douaneaangifte-documenten verstrekken en assistentie bieden bij de douaneaangifte?
A: Al onze goederen moeten officieel door de douane worden ingeklaard. Wij kunnen alle benodigde documenten voor de douaneaangifte verstrekken.
- Wat is er? Kunt u het oorsprongsbewijs verstrekken?
A: Ja, wij verstrekken bij elke bestelling een door de Chinese douane ondertekend oorsprongsbewijs. Wij garanderen 100% origineel.
- Wat is er? Wat is de transactiemethode? Hoe wordt het vervoer geregeld?
A: Normaal gesproken, om de transporttijd effectief te verkorten, adviseren wij luchtvervoer. Wij geven de voorkeur aan FOB/FCA.
Over ons
Wij richten ons op de toepassing van IGBT-producten. Op basis van de toepassing van IGBT hebben we ons productassortiment uitgebreid naar op maat gemaakte hoogwaardige powerassemblages. Tegelijkertijd is onze activiteit uitgebreid naar het gebied van automatiserings- en regelproducten, waaronder ADC/DAC, LDO, instrumentatieversterkers, elektromagnetische relais, PhotoMOS en MOSFET. Op deze manier kunnen wij samenwerken met toonaangevende Chinese fabrikanten op onze vakgebieden om betrouwbare en kostenefficiënte producten aan onze klanten te leveren.
Gefundeerd op de principes van innovatie en excellentie, staan wij aan de voorfront van halfgeleider alternatieve oplossingen en technologie.
Onze visie is om alternatieve oplossingen aan onze klanten te bieden, de kostenprestaties van hun toepassingsoplossingen te verbeteren en de veiligheid van hun supply chain te waarborgen door producten die in China zijn gemaakt.








Onze gebruikers
