تطبيق محول تناظري رقمي من 8 قنوات ذو عينة متزامنة (CM2248) في معدات ATE
01 مقدمة
يُعد CM2248 عبارة عن محول تناظري رقمي (ADC) ذي 16 بت و8 قنوات أخذ عينات متزامنة، تم إطلاقه بواسطة شركة Simu Microelectronics. وتدمج كل قناة حماية من السحق للإدخال التناظري، ومرشحًا مضادًا للتداخل من الدرجة الثانية، ومضخم تتبع وحفظ، ومحول ADC ذو بنية SAR بسعة 16 بت، ومرشحًا رقميًا مرنًا على الرقاقة.
يعمل الجهاز CM2248 من مصدر طاقة واحد بجهد 5 فولت، مع دعم إشارات إدخال تناظرية ثنائية القطب حقيقية بقيم ±10 فولت أو ±5 فولت. ويمكن لجميع القنوات أن تأخذ عينات وتخرج البيانات بمعدل نقل يبلغ 200 ألف عينة في الثانية (kSPS). ويبلغ المعاوقة التناظرية للإدخال لكل قناة 1 ميجا أوم، ويمكن لدائرة الحماية من السحق على المدخلات تحمل جهد زائد يصل إلى ±16.5 فولت. ويتوافق الجهاز من حيث التوصيلات (pin-compatible) مع AD7606 من شركة ADI ومع ADS8588 من شركة TI.

مظهر الهيكل

ترتيب الدبابيس

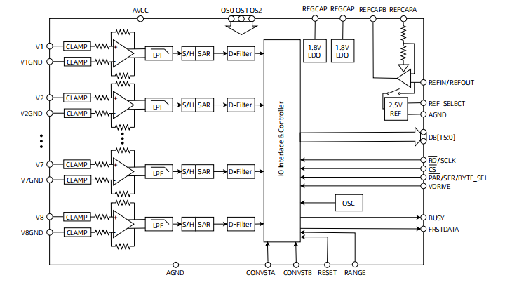
مخطط البنية
مخطط الاتصال النموذجي
02 الميزات
(1)مدى الإدخال التناظري ثنائي القطب: ±10 فولت، ±5 فولت
(2)مصدر الطاقة التناظري 5 فولت، VDRIVE: من 2.3 فولت إلى 5 فولت
(3)8 قنوات إدخال ذات عينات متزامنة
(4)حزمة LQFP64 10 × 10
(5 ) حل كامل متكامل لاقتناء البيانات
--حماية بالتقيد في المدخل التناظري
--مخفئ إدخال مع مقاومة دخل تناظرية تبلغ 1 ميجاأوم
--مرشح تناظري مضاد للتشويش من الدرجة الثانية
--مصدر مرجعي دقيق ومُخَزن على الشريحة
--محول تناظري إلى رقمي 16 بت، 200 كيلو عينات في الثانية (جميع القنوات)
--إمكانية أخذ عينات زائدة من خلال الترشيف الرقمي
(6)واجهات متوازية/متدة مرنة
--متوافقة مع SPI/QSPI/MICROWIRE/DSP
(7)الأداء
--التصاع الكهربائي للإدخال التناظري حتى 8 كيلوفولت
--معدل الضجيج 92 ديسيبل، تشويش كلي –105 ديسيبل
--±1 LSB INL، ±0.8 LSB DNL
--استهلاك منخفض للطاقة: 150 مللي واط في وضع التشغيل، 30 مللي واط في وضع الاستعداد
نظرة عامة على الحل 03
بفضل سرعته العالية في الأداء، ومستواه المتقدم في التكامل، وسهولة استخدامه، وجودة الإشارة إلى الضوضاء (SNR) التي تصل إلى 92 ديسيبل، فإن الشريحة CM2248 مناسبة جدًا لتطبيقات اقتناء الإشارة في معدات الاختبار الآلي (ATE)، بما في ذلك DPS (مصدر طاقة الجهاز)، وPMU (وحدة القياس الوظيفي)، وPE (إلكترونيات الدبوس).
مع استمرار تطور تقنية تصنيع أشباه الموصلات، تطورت متطلبات أنظمة اختبار أشباه الموصلات (ATE) من مجرد "تلبية وظائف اختبار الرقائق" إلى عصر يركّز على كفاءة المرونة وكفاءة الاختبار — ويُعرف أيضًا بـ"كفاءة رأس المال". ومع تعقيد الرقائق بشكل متزايد، يستمر العائد الأولي للرقاقات في الانخفاض وتزداد احتمالية حدوث الأعطال، مما يدفع إلى الحاجة إلى أنظمة اختبار أكثر دقة وكفاءة.
لتمكين المزيد من قنوات الاختبار ضمن حجم محدود للجهاز الفاحص، يميل المصنعون لمعدات الاختبار الآلية (ATE) بشكل متزايد نحو اعتماد دوائر أو أجهاز كهربائية شديدة التتكامل مثل وحدات قياس الجهد والطاقة (PMU) ومصادر الطاقة (DPS) والأجهاز الكهربائية (PE). وبغض النظر عن كون الوحدة من نوع PE أو DPS أو PMU، فإن هناك حاجة لمحول تناظري رقمي سريع وسهل الاستخدام وعالي الدقة لأداء قياسات التedback الكهربائية. وبمعدل إنتاجية 200 ألف عينة في الثانية لكل قناة ونسبة الإشارة إلى الضوضاء (SNR) تبلغ 92 ديسيبل، يتيح CM2248 إجراء قياسات كهربائية سريعة ودقيقة باستخدام معدات الاختبار الآلية.



04 مزايا المنتج
باختصار، يوفر الجهاز CM2248 درجة عالية من التكامل، ومعدل إشارة إلى ضجيج (SNR) مرتفع يصل إلى 92 ديسيبل، وأداءً ممتازًا في تقليل التشويه مع تشويه كلي بنسبة –105 ديسيبل (THD)، مما يجعله مناسبًا جدًا لاستخلاص إشارات التغذية الراجعة بدقة عالية في تطبيقات ATE المختلفة. من حيث الأداء، ينافس الجهاز CM2248 بشكل مباشر أجهزة ADI من نوع AD7606 وأجهزة TI من نوع ADS8588.







