Overzicht
De CM1106 is een hoogwaardige, stroombesparende, SPI-compatibele 16-bits ΔΣ ADC, die een spanningsreferentie met weinig driften, een oscillator en een programmeerbare versterkingsversterker (PGA) integreert. Deze kenmerken maken de CM1106 geschikt voor de meeste sensormeettoepassingen.
De CM1106 kan conversiebewerkingen uitvoeren met een snelheid van 2kSPS. Het programmeerbare ingangsspanningsbereik dat wordt geboden door de PGA varieert van ±256 mV tot ±6,144 V. De ingangs-multiplexer (MUX) biedt 4 enkelvoudige ingangen en 2 differentiële ingangen.
De CM1106 kan werken in enkele conversiemodus of in continue conversiemodus. In enkele conversiemodus gaat het apparaat automatisch over op power-down-modus na het voltooien van een meting, wat het stroomverbruik aanzienlijk verlaagt tijdens inactieve toestanden. 
Kenmerken
Groot voedingsspanningsbereik: 2,5 V tot 5 V
Laag stroomverbruik: 270μA (continue conversiemodus)
Programmeerbare datasnelheid: 6,25 SPS tot 2 kSPS
Interne spanningsreferentie met weinig driften
Interne oscillator
Interne programmeerbare versterkingsversterker
SPI-interface
Interne temperatuursensor
4 enkelvoudige of 2 differentiële ingangen
In overeenstemming met AEC-Q100
Toepassingen
Handbediende instrumenten
Batterijspanning en stroombewaking
Temperatuurmeting
Thermokoppels (TC)
NTC, PTC (thermistorweerstanden)
Fabrieksautomatisering en Procesbeheersing
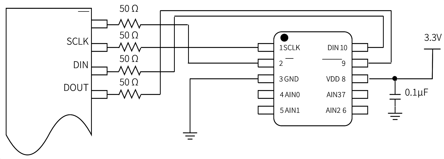
- De typische aansluitwijze is weergegeven in de volgende afbeelding.
Pinconfiguratie

Oplossing voor temperingsmeting met thermokoppel gebaseerd op CM1103 en CM1106

01 Inleiding
Wanneer twee verschillende metalen geleiders worden verbonden, ontstaat er bij een temperatuurverschil tussen de uiteinden een potentiaalverschil in de verbinding. Door het potentiaalverschil en de referentietemperatuur van de verbindingen te meten, en de karakteristieke parameters van het thermokoppel te gebruiken, kan de werkelijke temperatuur van het meetuiteinde worden bepaald.
Thermokoppels zijn goedkoop, hebben een uitstekend temperatuurmeetbereik, zijn eenvoudig van opbouw en gemakkelijk in gebruik, waardoor ze veelvuldig worden ingezet in diverse industriële toepassingen. De ITS-90-standaard geeft 8 gangbare typen thermokoppels en hun temperatuurmeetbereiken aan.
Van deze typen worden type K-thermokoppels het meest gebruikt. Bijvoorbeeld, bij het meten van -270°C is de uitgangsspanning van het thermokoppel -6,458 mV, en bij de maximale meettemperatuur van 1372°C is de uitgangsspanning 54,886 mV. De uitgangsspanning verandert met 40 μV per 1°C temperatuursverandering over het gehele meetbereik.
Vanwege het zwakke uitgangsspanningssignaal van de thermokoppel vereisen signaalverwerking en acquisitiecircuits vaak een uiterst hoge precisie. Bovendien brengen in industriële omgevingen de lange aders tussen de TC-thermokoppel en de gegevensacquisitiekaart vaak aanzienlijke common-mode storingsruis met zich mee, waardoor het signaalacquisitiesysteem het differentiële signaal moet isoleren en versterken, terwijl het effect van common-mode ruis op het gemeten differentiële signaal tot een minimum wordt beperkt.
02 CM1103 Functionele kenmerken
Laagvermogen, hoogwaardige, compacte sigma-delta ADC analoge front-end
Veel gebruikt voor signaalacquisitie van temperatuur-, optische-, vloeistof-, gas- en andere sensortypes
Maximale bemonsteringssnelheid van 2 kSPS, 4-kanaals programmabele polling
Programmeerbare versterkerversterker met flexibel configureerbaar ingangsbereik van ±256 mV tot ±6,144 V
Hoge ingangsimpedantie groter dan 1 MΩ, waardoor de ADC rechtstreeks kan worden aangesloten op diverse sensoren, zonder behoefte aan extra sensorconditionering en ADC-aansturing
Ruisvrije bemonsteringsnauwkeurigheid tot 7,81 μV, waardoor nauwkeurige meting van het zwakke potentiaalverschil van de thermokoppel mogelijk is
Differentiële kanalen met een onderdrukkingsverhouding voor gelijkspanning (CMRR) groter dan 100 dB, waardoor de invloed van industriële veldinterferentie op signaalacquisitie wordt verminderd

03 Oplossingsoverzicht
De CM1103 biedt flexibele kanaalconfiguraties, met 4 ingangspoorten die ondersteuning bieden voor maximaal 2 differentiële signalen of 4 enkelvoudige signalen. In praktische toepassingen kan één differentieel kanaal worden gebruikt om een thermokoppeltemperatuursensor aan te sluiten, terwijl een ander enkelvoudig kanaal kan worden gebruikt om een NTC-thermistor in de buurt van de koude junctie aan te sluiten. Elk TC- en NTC-kanaal kan worden geconfigureerd met een eigen ingangsversterking en bemonsteringsfrequentie, wat veel gemak biedt.
De CM1106 bouwt voort op de CM1103 en voegt een temperatuursensor op de chip toe. Via de SPI-interface kan de junctietemperatuur van de CM1106 in real-time worden uitgelezen. Voor koude-junctie toepassingen in de buurt van de ADC, elimineert de CM1106 de noodzaak van een extra koude-junctie meetkanaal, waardoor een groter aantal temperatuurmeetkanalen mogelijk wordt.











